返回
途途旅游
旅游景点
旅游攻略
生活知识
文化旅游
旅游景区
昆明旅游
桂林旅游
乡村旅游
上海旅游
知识问答
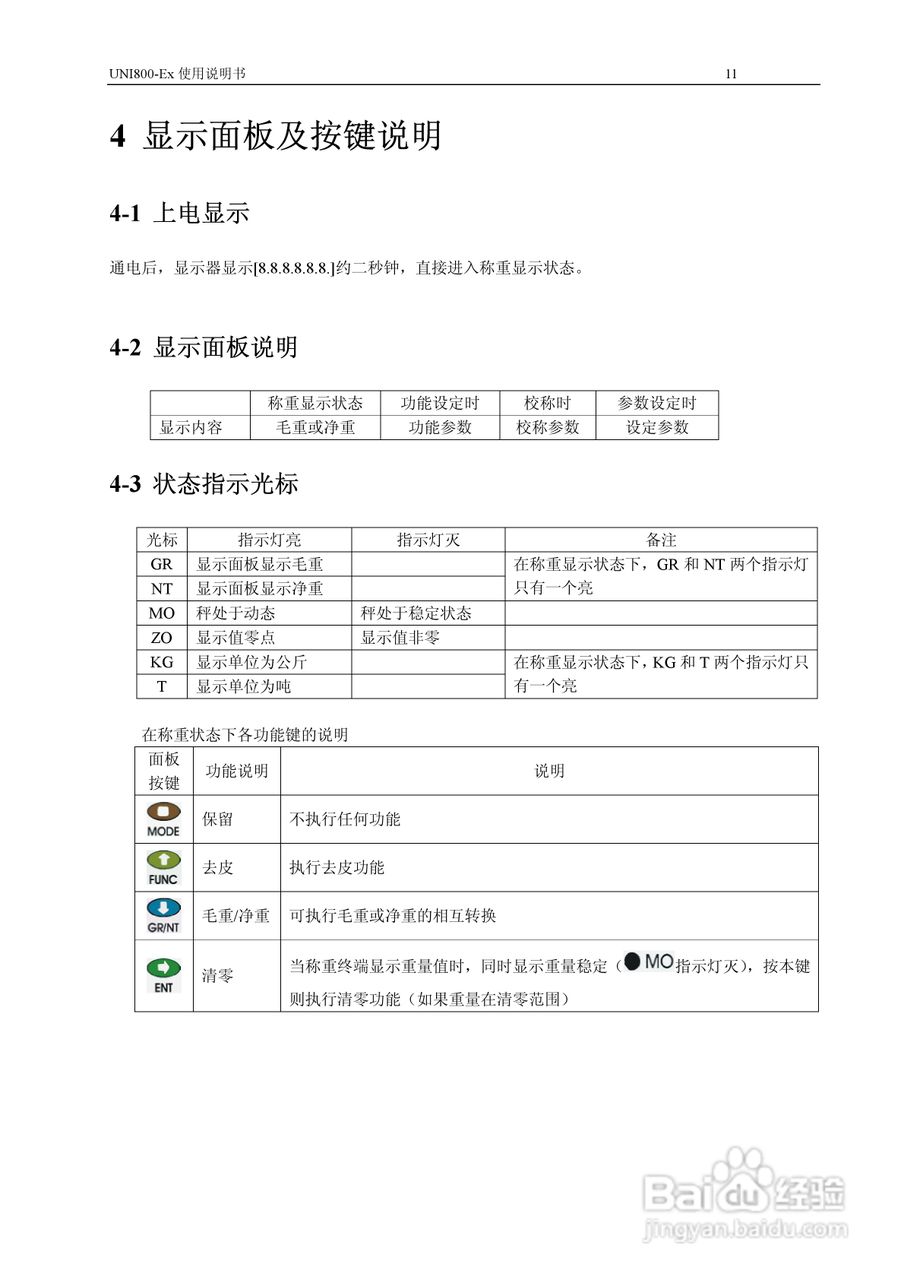
UNI800-EX称重显示器说明书:[2]
时间:2026-02-14 06:59:52
(共篇)
上一篇:
|
下一篇:
双龙雷斯特W汽车座椅姿势怎么调节
如何使你煮的米饭香气四溢而可口?
核桃食用药用功效
白掌不开花?只要做好这几点,花骨朵蹭蹭往外冒
弥渡天生桥风景区旅行攻略
为你推荐:
嘉兴乌镇旅游攻略
太原旅行社旅游报价
止锚湾旅游
贵州镇远旅游攻略
山西平遥旅游攻略
旅游卫视行者
浙江象山旅游
美国夏威夷旅游
鄂西生态文化旅游圈投资有限公司
中国古镇旅游网
© 2026 途途旅游
信息来自网络 所有数据仅供参考
有疑问请联系站长 site.kefu@gmail.com